Product Series
推薦產品
河南華東起重機械設備公司
服務熱線:400 086 9590
公司:河南華東起重機械設備有限公司
聯系人:賈經理
聯系電話:13903802779
地址:河南新鄉市封丘縣起重機工業園區
當前位置: 起重機 > 起重機文章
ZWZ(3)電磁鼓式制動器航車行吊ZWZ(3)電磁鼓式制動器
時間:2024-01-24來源:起重機制動器廠家瀏覽次數:1
制動器產品介紹
ZWZ3電磁鼓式制動器型號規格有:ZWZ3-400/400、ZWZ3-400/500、ZWZ3-500/400、ZWZ3-500/500、ZWZ3-500/600、ZWZ3-630/500、ZWZ3-630/600、ZWZ3-630/700、ZWZ3-710/600、ZWZ3-710/700、ZWZ3-710/800、ZWZ3-800/700、ZWZ3-800/800型等,鼓式制動器廣泛用于起重機械、運輸、冶金、港口、碼頭、建筑機械等機械驅動裝置的減速或制動。根據用戶要求,可生產各種常開、防爆及非標制動器產品。
制動器產品說明
產品名稱:ZWZ(3)電磁鼓式制動器
別名別稱:抱閘/制動剎車
型號規格:ZWZ(3)型
所屬類別:電磁鼓式
產品產地:河南新鄉長垣/焦作武陟
非標定制:可定制
是否現貨:小量現貨
生產周期:7~10天
包裝形式:無/包裝另計
供貨范圍:全國
送達方式:自提或快遞托運
是否安裝:安裝另計
售后方式:一年保修
制動器產品圖冊

制動器相關參數
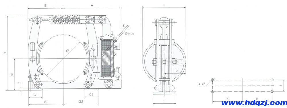
ZWZ3電磁鼓式制動器外形尺寸圖

ZWZ3電磁鼓式制動器技術參數與主要尺寸數據表
| 制動器型號 | 制動力矩(N.m) | A | b | C1 | d | D | E | F | G1 | H | h1 | i | K | M | m | n | 制動瓦退距 | S | 重量(kg) | ||||||
| 并聯線圈 | 串聯線圈 | ||||||||||||||||||||||||
| 60%額定電流 | 40%額定電流 | ||||||||||||||||||||||||
| C2 | G2 | Smax | |||||||||||||||||||||||
| 通電持續率 | 通電持續率 | ||||||||||||||||||||||||
| 25% | 40% | 100% | 25% | 40% | 25% | 40% | |||||||||||||||||||
| ZWZ3-400/400 | 1250 | 1000 | 500 | 1250 | 1000 | 800 | 500 | 540 | 160 | 140 | 22 | 400 | 320 | 140 | 310 | 670 | 280 | 100 | 270 | 357 | 355 | 12 | 1.5 | 2 | 208 |
| 3 | |||||||||||||||||||||||||
| ZWZ3-400/500 | 2000 | 1400 | 630 | 2000 | 1400 | 1250 | 710 | 438 | 1.75 | 2.3 | 216 | ||||||||||||||
| 3.50 | |||||||||||||||||||||||||
| ZWZ3-500/400 | 1250 | 1000 | 450 | 1250 | 1000 | 800 | 450 | 622 | 200 | 150 | 22 | 500 | 375 | 180 | 365 | 820 | 335 | 130 | 325 | 428 | 355 | 16 | 1.5 | 2 | 268 |
| 3 | |||||||||||||||||||||||||
| ZWZ3-500/500 | 2000 | 1600 | 710 | 2000 | 1600 | 1250 | 800 | 438 | 1.75 | 2.3 | 316 | ||||||||||||||
| 3.50 | |||||||||||||||||||||||||
| ZWZ3-500/600 | 3550 | 3150 | 1400 | 3550 | 3150 | 2500 | 1800 | 500 | 2 | 2.7 | 357 | ||||||||||||||
| 4 | |||||||||||||||||||||||||
| ZWZ3-630/500 | 2240 | 1800 | 800 | 2240 | 1800 | 1400 | 900 | 712 | 250 | 180 | 27 | 630 | 464 | 220 | 450 | 1011 | 425 | 170 | 400 | 510 | 438 | 20 | 1.75 | 2.3 | 479 |
| 3.6 | |||||||||||||||||||||||||
| ZWZ3-630/600 | 5000 | 3550 | 1600 | 5000 | 3550 | 2800 | 2000 | 500 | 2 | 2.7 4 | 497 | ||||||||||||||
| ZWZ3-630/700 | 6300 | 4500 | 2240 | 6300 | 4500 | 4000 | 2500 | 577 | 2.25 | 3 | 541 | ||||||||||||||
| 4.6 | |||||||||||||||||||||||||
| ZWZ3-710/600 | 5000 | 3550 | 1600 | 5000 | 3550 | 2800 | 2000 | 780 | 280 | 190240 | 27 | 710 | 505 | 240 | 500 | 1125 | 475 | 190 | 450 | 622 | 500 | 22 | 2 | 2.7 | 520 |
| 4 | |||||||||||||||||||||||||
| ZWZ3-710/700 | 7100 | 5000 | 2240 | 7100 | 5000 | 4000 | 2800 | 577 | 2.25 | 3 | 580 | ||||||||||||||
| 550 | 4.5 | ||||||||||||||||||||||||
| ZWZ3-710/800 | 10000 | 7100 | 3550 | 10000 | 7100 | 5600 | 4000 | 650 | 2.5 | 3.3 5 | 646 | ||||||||||||||
| ZWZ3-800/700 | 7100 | 5000 | 2500 | 7100 | 5000 | 4500 | 2800 | 870 | 320 | 180 | 27 | 800 | 590 | 280 | 555 | 1235 | 530 | 210 | 520 | 690 | 577 | 22 | 2.25 | 3 | 800 |
| 4.5 | |||||||||||||||||||||||||
| ZWZ3-800/800 | 10000 | 8000 | 3550 | 8000 | 8000 | 6300 | 4000 | 270 | 645 | 650 | 2.5 | 3.3 5 | 911 | ||||||||||||
制動器主要特點
★使用安全可靠,動作頻率快,高效節能;
★綠色環保,無石棉襯墊;
★等退距裝置,避免制動襯墊浮貼制動輪;
★制動平穩,無噪音。
制動器符合標準
★制動器安裝尺寸和制動器力矩參數符合GB/6334-86標準,技術標準符合JB/T7685-2006。
制動器使用條件
★環境溫度-25℃~40℃;
★操作頻率<720c/h;
★電源電壓為直系DC110V或220V,如有特殊訂貨要求,請訂貨時協商確定;
★使用地點的海拔高度不超過2000米;
★周圍工作環境中不得有易燃、易爆及腐蝕性和破壞絕緣的氣體及導電塵埃;
★空氣相對濕度不大于90%的室內或有防雨雪的裝置下使用。
ZWZ3電磁鼓式制動器生產廠家還為用戶提供YWZB、YWZ3B、YWZ8、YWZ9(YWZ5)、YWZ4B、YW、YW-L、YW-E、TWZ(B)、YWZ13、YWZ2、MW(Z)、JZ、ZWZA、ZWZ2鼓式制動器,廠用防爆、廠用BZES隔爆封閉式制動器、礦用DYW防爆制動器,YPZ2ⅠⅡⅢ、YPZ2ⅣⅤⅥ、DAZ、SE/SH、SB/SBD、YZ、DCPZ、BNM、QP12.7等盤式制動器,YLBZ(液壓輪邊制動器)、YFX(電力液壓防風鐵楔制動器)、YJGQ(液壓夾軌器)等防風制動器,ED1YT1系列電力液壓推動器、ZED交流直流兩用電力液壓推動器、BYT1BEd系列隔爆式電力液壓推動器、EDX系列電力液壓推動器等驅動裝置(液壓罐、制動器電機)、制動瓦塊、制動器架子等成套零部件及相關產品的設計制造(定制)和配件批發零售、安裝修理維修等服務,更多國標/非標/專用工業制動器廠家品牌、技術參數、安裝尺寸圖紙、價格請咨詢客服。
-
24
2024-01
ZWZ(3)電磁鼓式制動器航車行吊ZWZ(3)電磁鼓式制動器
制動器產品介紹 ZWZ3電磁鼓式制動器型號規格有:ZWZ3-400/400、ZWZ3-400/500、ZWZ3-500/400、ZWZ3-500/500、ZWZ3-500/600、ZWZ3-630/500、ZWZ3-630/600、ZWZ3-630/700、ZWZ3-710/600、ZWZ3-710/700、ZWZ3-710/800、ZWZ3-800/700、ZWZ3-800/800型...詳細
-
24
2024-01
ZWZ(A)直流電磁鼓式制動器ZWZ(A)直流電磁鼓式抱閘剎車
制動器產品介紹 ZWZA直流電磁鼓式制動器型號規格有:ZWZA-400、ZWZA-500、ZWZA-600、ZWZA-700、ZWZA-800型等,鼓式制動器廣泛用于起重機械、運輸、冶金、港口、碼頭、建筑機械等機械驅動裝置的減速或制動。根據用戶要求,可生產各種常開、防爆及非標制動器產品。 制動器產品說明 產品名稱:ZWZ(A)...詳細
-
23
2024-01
ZWZ(2)電磁鼓式制動器行車航吊ZWZ(2)電磁鼓式剎車抱閘
制動器產品介紹 ZWZ2電磁鼓式制動器型號規格有:ZWZ2-160/100、ZWZ2-160/200、ZWZ2-200/100、ZWZ2-200/200、ZWZ2-200/300、ZWZ2-250/200、ZWZ2-250/300、ZWZ2-315/300、ZWZ2-315/300型等,鼓式制動器廣泛用于起重機械、運輸、冶金、港口、碼頭、建筑機械等機械驅動裝置的減速或制動。根據用戶要求...詳細
-
23
2024-01
MW(Z)電磁鼓式制動器航車行吊MW(Z)電磁鼓式剎車抱閘
制動器產品介紹 MW、MWZ型電磁鼓式制動器型號規格有:MWZ160-80、MWZ200-160、MWZ315-630型和MW200-160、MW250-315、MW315-630、MW400-1250、MW500-2500、MW630-5000、MW710-8000、MW800-10000型等,鼓式制動器廣泛用于起重機械、運輸、冶金、港口、碼頭、建筑機械等機械驅動裝置的減速或制動。根...詳細
-
23
2024-01
JZ系列節能電磁鼓式制動器JZ系列節能電磁鼓式剎車抱閘
制動器產品介紹 JZ系列節能電磁鼓式制動器型號規格有:JZ-100、JZ-200、JZ-300、JZ-400、JZ-500、JZ-600型等,鼓式制動器廣泛用于起重機械、運輸、冶金、港口、碼頭、建筑機械等機械驅動裝置的減速或制動。根據用戶要求,可生產各種常開、防爆及非標制動器產品。制動器產品說明產品名稱:JZ系列節能電磁鼓式制動器別名別稱:抱閘/制動剎車型號規格:JZ型所屬類別:電磁鼓...詳細




















