推薦產品
河南華東起重機械設備公司
服務熱線:400 086 9590
公司:河南華東起重機械設備有限公司
聯系人:賈經理
聯系電話:13903802779
地址:河南新鄉市封丘縣起重機工業園區
當前位置: 起重機 > 技術資料 > 起重機百科
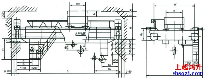
50/10噸雙梁行車參數50噸雙梁吊鉤橋式起重機尺寸
時間:2021-10-04來源:雙梁行車廠家瀏覽次數:2079
50/10噸雙梁行車圖片展示:

50/10噸雙梁行車技術參數表:
|
雙梁吊鉤行車起重量 Lifting Weight |
t | 50/10噸雙梁吊鉤行車 | |||||||||||||||||||
|
雙梁橋式起重機跨度 Span |
m | 10.5米 | 13.5米 | 16.5米 | 19.5米 | 22.5米 | 25.5米 | 28.5米 | 31.5米 | ||||||||||||
|
最大起升高度 Max.Lifting Height |
主鉤 Primary |
12米 | |||||||||||||||||||
|
副鉤 Secondary |
16米 | ||||||||||||||||||||
|
速度 speed |
起升Lift |
主鉤 Primary |
A5 | m/min | 5.9m/min | ||||||||||||||||
| A6 | 7.8m/min | ||||||||||||||||||||
|
副鉤 Secondary |
A5 | 13.2m/min | |||||||||||||||||||
| A6 | 13.2m/min | ||||||||||||||||||||
|
小車運行速度 handcart travel |
38.5m/min | ||||||||||||||||||||
|
大車運行速度 cart travel |
A5 | 85.9m/min | |||||||||||||||||||
| A6 | 87.3m/min | ||||||||||||||||||||
|
電動機 Motor |
起升速度 Lift |
主鉤 Primary |
A5 | kw | YZR280M-10Z/55kw | ||||||||||||||||
| A6 | YZR315S-8/75kw | ||||||||||||||||||||
| 副鉤Secondary | YZR200L-6Z/26kw | ||||||||||||||||||||
|
小車運行速度 handcart travel |
YZR160M2-6/8.5kw | ||||||||||||||||||||
|
大車運行速度 cart travel |
A5 | YZR180L-8/13×2kw | |||||||||||||||||||
| A6 | YZR200L-8/15×2kw | ||||||||||||||||||||
|
雙梁吊鉤行車橋式起重機 主要尺寸(mm)Main Size |
H | A5 | 2726mm | 2732mm | |||||||||||||||||
| A6 | 2726mm | 2728mm | 2734mm | ||||||||||||||||||
| H1 | A5 | 2531mm | 2526mm | 2532mm | 2632mm | 2782mm | 2932mm | 3082mm | 3182mm | ||||||||||||
| A6 | 2531mm | 2528mm | 2534mm | 2634mm | 2784mm | 2934mm | 3084mm | 3184mm | |||||||||||||
| H2 | A5 | 1090+H0 | |||||||||||||||||||
| A6 | 1090+H0 | 1130+H0 | |||||||||||||||||||
| H3 | A5 | 1020mm | 1014mm | ||||||||||||||||||
| A6 | 1020mm | 1018mm | 1012mm | ||||||||||||||||||
| H4 | 948mm | ||||||||||||||||||||
| h | 675mm | ||||||||||||||||||||
| k | 2500mm | ||||||||||||||||||||
| A5 | 6724mm | 6824mm | 7144mm | ||||||||||||||||||
| A6 | 6944mm | 7024mm | |||||||||||||||||||
| W | 4800mm | 5000mm | |||||||||||||||||||
| W | 3580mm | ||||||||||||||||||||
| b | 300mm | ||||||||||||||||||||
| A5 | -79mm | 96mm | 102mm | 252mm | 402mm | 552mm | 702mm | 802mm | |||||||||||||
| A6 | -79mm | 98mm | 104mm | 254mm | 404mm | 554mm | 704mm | 804mm | |||||||||||||
| S1 | 1005mm | ||||||||||||||||||||
| S2 | 2200mm | ||||||||||||||||||||
| S3 | 2000mm | ||||||||||||||||||||
| S4 | 3195mm | ||||||||||||||||||||
|
起重機重量 Weight |
小車 handcart |
A5 | t | 15.5噸 | |||||||||||||||||
| A6 | 16噸 | ||||||||||||||||||||
|
總重 Total Weight |
A5 | 37噸 | 40噸 | 44噸 | 49噸 | 53噸 | 58噸 | 62噸 | 68噸 | ||||||||||||
| A6 | 40噸 | 43噸 | 48噸 | 52噸 | 56噸 | 62噸 | 67噸 | 72噸 | |||||||||||||
|
最大輪壓 Max.Wheel Pressure |
A5 | t | 36.5噸 | 39.9噸 | 42.0噸 | 43.0噸 | 45.6噸 | 47.4噸 | 48.7噸 | 50.3噸 | |||||||||||
| A6 | 37.9噸 | 40.3噸 | 42.5噸 | 44.4噸 | 46.0噸 | 47.8噸 | 49.2噸 | 50.8噸 | |||||||||||||
| 薦用鋼軌Steel track | QU80道軌 □100×100鋼軌 | ||||||||||||||||||||
| 電源Power Supply | 三相交流3-Phase A.C.50Hz,380V | ||||||||||||||||||||
50噸雙梁吊鉤橋式起重機外形尺寸圖:

50/10噸雙梁行車是橋式起重機中比較常用噸位行車,以上就是為大家介紹的50噸雙梁吊鉤橋式起重機技術參數表、50噸雙梁行車外形尺寸圖及50噸雙梁起升起重機外形結構圖。
-
12
2025-08
架橋機安全監控管理系統及功能、架橋機吊鉤吊物墜落原因
架橋機安全監控管理系統簡介及功能及簡介 1.架橋機運行狀態測試、顯示及記錄,包括有架橋機的天車縱向行程、高度、天車橫向行程、重量、風速、水平度、支腳垂直度、整機縱向行程、整機橫向行程數據,對架機運行過程中的數據可以記錄在本地監控儀(大于45天)中,同時也可以存儲在遠端的服務器中; 2.實現了對架橋機天車縱向行程、高度、天車橫向行程、重量、風速、水平度、支腳垂直度、整體縱向行程、整體橫向行程等八...詳細
-
12
2025-08
架橋機的檢測方案、橋機運行參數控制
架橋機的檢測方案 1、對結構主梁的檢測 架橋機結構主梁對減輕其自重,減少風阻力有著重要的意義,一般由三個或者五個等長度焊制成的桁架組裝連接。相關工作人員可以根據塔式起重機起重臂的檢測方法,對主梁各段連結銷軸逐個檢查,確認是否達到緊密連結; 2、對起升機構和運行機構的檢測 架橋機在形式結構和起升方式上都與雙梁門起重機相似,但是兩者的不同就是有兩臺du立的提升小車機構。在對每個機構的提升制動和...詳細
-
01
2025-08
單梁懸掛起重機軌道安裝問題有哪些?
單梁懸掛起重機軌道安裝問題有哪些?單梁懸掛起重機的軌道安裝和橋式起重機、門式起重機的都不同,它不鋪設在地上,也不坐落在工字鋼上,它是倒掛在立柱或者型梁上,軌道常見的安裝問題有哪些呢?一起來看看吧軌道直線度或平行度超差原因:軌道安裝時未校準,導致直線度或平行度偏差過大。解決辦法:使用經緯儀或全站儀檢測軌道直線度,允許偏差≤1/1500且全長≤10mm;平行度偏差≤10mm。若偏差超標,需重新調整軌道...詳細
-
29
2025-07
橋式起重機分布式控制系統的架構設計與工程實踐
在現代工業物流場景中,橋式起重機的分布式控制系統通過分層架構與模塊化設計,實現多機構協同控制與故障冗余,顯著提升設備可靠性與運維效率。以下從系統架構、關鍵技術、實施要點及典型應用展開分析,為工程改造與新建項目提供可落地的技術方案。一、分布式控制系統的核心架構分布式控制系統(DCS)采用 “管理層 - 控制層 - 設備層” 三級網絡拓撲,通過工業總線實現數據交互與指令下發。具體包括:管理層以工控機(...詳細
-
29
2025-07
橋式起重機卷揚機構雙制動技術解析
雙制動系統是橋式起重機卷揚機構保障安全的核心配置,通過主副制動器協同作用實現冗余制動。以下從技術實現與工程應用展開說明:一、核心制動機制與協同控制主副制動器組合方案主制動器:采用液壓推桿式雙閘瓦制動器,通過液壓油缸驅動閘瓦抱緊制動盤,響應時間≤0.3 秒,制動力矩可達額定值的 1.5 倍。例如,某鋼廠起重機主制動器在 20 噸載荷下制動距離≤0.5 米。輔助制動器:配置電磁盤式制動器,斷電時彈簧驅...詳細
-
29
2025-07
橋式起重機重載萬向聯軸器技術解析
重載萬向聯軸器是橋式起重機實現多軸協同傳動的核心部件,通過特殊結構設計實現大扭矩傳遞與角度補償。以下從技術實現與工程應用展開說明:一、核心傳動機制與結構設計十字軸式聯軸器采用整體式叉頭結構(如 SWC 型),通過十字軸與軸承組件傳遞扭矩,允許軸線折角達 15°。例如,某鋼廠 32 噸起重機使用 SWC 型聯軸器,在吊運鋼錠時可補償因軌道不平導致的軸線偏移,確保傳動穩定性。球籠式聯軸器通過球籠外環與...詳細




















